30D01自力式(閥后)壓力控制閥,由控制閥門、執行器和一個設定壓力的彈簧組成。適用于非腐蝕性的液體、氣體和蒸汽,在系統管道中起閥后壓力控制的作用,當閥后壓力升高時,控制閥關閉。
控制閥參數說明:
閥內件特點:
1、內置波紋管,具有壓力平衡結構,靈敏度高
2、結構緊湊,性能可靠,免于維護
3、采用標準模塊化設計
4、通過組合件,可以進行多項組合控制
閥體類型: 直通式
閥蓋形式: 標準型
散熱型
流量特性: 快開
口徑范圍: DN15-300(1/2”-12”)
壓力等級: PN1.6、4.0Mpa(ANSI 150、300LB)
泄漏等級: ASME B16.104 Ⅴ(軟密封)
ASME B16.104 Ⅳ(硬密封)
管道連接方式: 法蘭式
設定值偏差: ±8%
適用溫度范圍: -30° ~ 350°
執行機構類型: 薄膜式執行機構(自力式)
活塞式執行機構(自力式)
技術參數 |
公稱通徑 | DN15、20、25、32、40、50、65、80、100、125、200、250mm |
公稱壓力 | PN1.6、4.0MPa |
法蘭標準 | ANSl、JIS、DIN、GB、JB(特殊可按用戶提供) |
閥體材料 | 鑄鐵【HT200)、鑄鋼(ZG230-450)、鑄不銹鋼(ZGICrl18Ni9Ti、ZGICr18Ni12Mo2Ti) |
閥芯材料 | 硬密封:不銹鋼 (1Cr18ni9Ti、1Cr18Ni12MoTi) |
軟密封:不銹鋼鑲嵌橡膠圈 |
壓力平衡 | 不銹鋼波紋管( DN15-125)、平衡膜片( DN150-250) |
執行器 |
有效面積(cm2) | 32 | 80 | 250 | 630 |
壓力設定范圍(MPa) | 0.8-1.6 | 0.1-0.6 | 0.015-0.15 | 0.005-0.035 |
0.3-1.2 | 0.05-0.3 | 0.01-0.07 |
保證壓力閥正常工作的最小壓差 P | ≥0.05 | ≥ 0.04 | ≥ 0.01 | ≥0.005 |
允許上下膜室之聞最大壓差(MPa) | 2.0 | 1.25 | 0.4 | 0.15 |
材料 | 膜蓋:鋼板鍍鋅 膜片:EPDM或FKM夾纖維 |
控制管線、接頭 | 銅管或鋼管 10X1 (mm) 卡套式接頭:R1/4" |
注 :該有效面積所對應的壓力設定范圍不適用于DN150-250 |
性能 |
設定值偏差 | ±8% |
允許泄漏量(在規定實驗條件下) | 硬密封 | 4x0.01%閥額定容量 |
軟密封 | DN15-50 | DN65-125 | DN150-250 |
| ≥0.05 | 10氣泡/min | 20氣泡/min | 40氣泡/min |
允許工作溫度 |
公稱通徑 |
| 15-125mm | 150-250mm |
密封型式 | 硬密封 | ≤150℃ | ≤140℃ |
冷卻罐≤200℃ | 冷卻罐和加長≤200℃ |
冷卻罐和散熱≤200℃ | 冷卻罐和加長≤200℃ |
軟密封 | ≤150℃ |
注※表示該閥允許工作溫度,僅當介質為蒸汽式有效.且耐溫之至350攝氏度需選用PN40的閥體 |
額定流量系數、噪音衡量系數、允許壓差 |
公稱通徑DN(mm) |
| 15 | 20 | 25 | 32 | 40 | 50 | 65 | 80 | 100 | 125 | 150 | 200 | 250 |
額定流量系數KvS |
| 4 | 6.3 | 8 | 16 | 20 | 32 | 50 | 80 | 125 | 160 | 280 | 320 | 450 |
噪音衡量系數Z值 |
| 0.6 | 0.6 | 0.6 | 0.55 | 0.55 | 0.5 | 0.5 | 0.45 | 0.4 | 0.35 | 0.3 | 0.2 | 0.2 |
允許壓差( Mpa) | PN16 | 1.6 | 1.5 | 1.2 | 1.0 |
PN40 | 2.0 |
注※表示該閥允許工作溫度,僅當介質為蒸汽式有效.且耐溫之至350攝氏度需選用PN40的閥體

結構簡圖 | 1 | 2 | 3 | 4 | 5 | 6 | 7 | 8 | 9 | 10 | 11 | 12 | 閥體 | 閥座 | 閥軸 | 閥蓋 | 膜蓋 | 膜片 | 彈簧 | 調節螺母 | 導壓管 | 波紋管 | 平衡膜片 | 充注閥 |
|
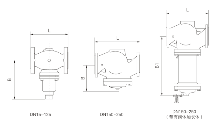
安裝尺寸:

控制閥尺寸及重量(見圖1-3) |
DN(mm) | 15 | 20 | 25 | 32 | 40 | 50 | 65 | 80 | 100 | 125 | 150 | 200 | 250 |
L(mm) | 130 | 150 | 160 | 180 | 200 | 230 | 290 | 310 | 350 | 400 | 480 | 600 | 730 |
B(mm) | 212 | 212 | 238 | 238 | 240 | 240 | 275 | 275 | 380 | 380 | 326 | 354 | 404 |
重量(KG) | 6.2 | 6.7 | 9.7 | 13 | 14 | 17 | 29 | 33 | 60 | 70 | 80 | 140 | 220 |
B1(mm) | - | - | - | - | - | - | - | - | - | - | 630 | 855 | 1205 |
重量(KG) | - | - | - | - | -- | - | - | - | - | - | 140 | 210 | 300 |
執行器尺寸及重量(見圖4) |
有效面積(cm2) | 32 | 80 | 250 | 630 |
R(mm) | 172 | 172 | 263 | 380 |
H(mm) | 435 | 430 | 470 | 520 |
重量(KG) | 7.5 | 7.5 | 13 | 28 |
型號編制說明:
SZ |
| -300 |
| -ZY |
| -D01 |
| -C1 |
| -15 |
>1.上兆品牌 |
| >2.系列型號 |
| >3.控制形式 |
| >4.作用方式 |
| >5.連接方式 |
| >6.公稱通徑 |
|
|
|
|
|
|
|
|
|
|
|
-16 |
| -P4 |
| -Y |
| -W1 |
| -B1 |
| -K |
>7.公稱壓力 |
| >8.閥體材質 |
| >9.密封材質 |
| >10.介質溫度 |
| >11.附件選項 |
| >12.流量特性 |
1代號 |
|
| 4代號 | 作用方式 |
| 5代號 | 連接方式 |
SZ | 上兆品牌 |
| D01 | 閥后穩定 |
| C1 | 內螺紋 |
|
|
| D02 | 閥前泄壓 |
| C2 | 法蘭 |
|
|
| D03 | 差壓上升閥關 |
| ...... | ...... |
|
| D04 | 差壓上升閥開 |
|
|
|
2代號 | 系列型號 |
| D12 | 指揮器閥后 |
|
|
|
300 | 自力式調節閥 |
| D13 | 指揮器閥前 |
| 其他連接方式可根據客戶要求設計制作 |
|
|
| L01 | 流量調節 |
|
|
|
|
|
| T01 | 溫度(加熱型) |
| 6代號 | 公稱通徑 |
|
|
| T02 | 溫度(冷卻型) |
| 15 | 15mm |
3代號 | 控制形式 |
| W01 | 微壓型 |
| 20 | 20mm |
ZY | 自力式壓力 |
| W02 | 雙膜片微壓型 |
| 25 | 25mm |
ZC | 自力式壓差 |
| P/N/M | 壓力調節 |
| 32 | 32mm |
ZL | 自力式流量 |
| ...... | ...... |
| 40 | 40mm |
ZW | 自力式溫度 |
|
|
|
| 50 | 50mm |
ZZ | 自力式組合 |
|
|
|
| ...... | ...... |
|
|
|
|
|
|
|
|
|
|
|
|
|
|
|
|
|
|
|
|
|
|
|
|
7代號 | 公稱壓力 |
| 9代號 | 密封形式 |
| 11代號 | 附件選項 |
16 | 16bar |
| Y | 硬密封 |
| B1 | 指揮器 |
40 | 40bar |
| R | 軟密封 |
| B2 | 冷卻罐 |
64 | 64bar |
|
|
|
| B3 | 散熱片 |
...... | ...... |
|
|
|
| B4 | 冷卻罐+散熱片 |
|
|
|
|
|
| B5 | 加長件 |
|
|
|
|
|
| B6 | 組合件 |
其他特殊壓力可根據客戶要求制作 |
|
|
|
| B7 | 行程顯示器 |
8代號 | 閥體材質 |
|
|
|
| B8 | 手操機構 |
Q | 鑄鐵HT200 |
| 10代號 | 介質溫度 |
| ...... | ...... |
C | 鑄鋼WCB |
| W1 | ≤150℃ |
|
|
|
P4 | 不銹鋼304 |
| W2 | ≤200℃ |
|
|
|
P6 | 不銹鋼316L |
| W3 | ≤350℃* |
|
|
|
...... | ....... |
|
|
|
| 12代號 | 流量特性 |
|
|
|
|
|
| K | 快開 |
|
|
|
|
|
|
|
|
|
|
|
|
|
|
|
|
|
|
|
|
|
|
|
|
其它特殊閥體材質可定做 |
| *表示僅當介質為蒸汽有效且閥體需選用PN40 |
|
上兆閥門其他產品:
閘 閥 截止閥 球 閥 蝶 閥 緊急切斷閥 電磁閥 水力控制閥 止回閥 刀型閘閥 旋塞閥 過濾器 減壓閥 疏水閥 隔膜閥 調節閥 阻火器 呼吸閥 燃氣閥門 冶金閥門